
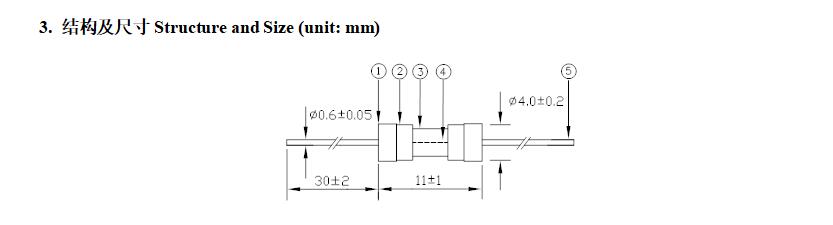
1. 適用范圍Scope of application
本產品適用于各種電子電器內的電路中起過電流保護作用。
This product is suitable for various kinds of electronic machines to work for over current protection.
2. 相關標準及認證Relevant Standards and Certification
2.1執行標準Standard: UL248-1 UL248-14
2.2認證Certification:
|
額定電壓 Voltage rating |
UL |
CUL |
||
|
認證范圍 Scope of Certification |
證書編號Certification No. |
認證范圍 Scope of Certification |
證書編號Certification No. |
|
|
125V |
100mA~7A |
E221465 |
100mA~7A |
E221465 |
|
250V |
100mA~7A |
E221465 |
100mA~7A |
E221465 |


蘇州鼎時電子科技有限公司推出玻璃保險絲,玻璃保險管:應用于電源、開關電源、充電器、LED驅動電源、LED燈具、球泡燈、投光燈線性方案等.www.保險絲.cn
上一篇: 無